Introduccion al diseno de circuitos con LTspice. Formas de onda. Carga y descarga del condensador. Circuitos RC integrador y diferenciador.
Formas de onda
1. Crear un nuevo esquematico con LTspice.
2. Anadir un componente gvoltageh con una resistencia de 1 ohmio en serie y el componente ggroundh.
3. Clic con el boton derecho en el componente gvoltage -> Advancedh y seleccionar gSineh. Consultar la documentacion para conocer el funcionamiento de los 7 parametros del componente gSineh.
4. Seleccionar adecuadamente los valores de los parametros para obtener una onda sinusoidal con los siguientes parametros:
a. 4 voltios pico a pico
b. -2 voltios de valor inferior (minimo)
c. 2 kHz de frecuencia
5. Iniciar una simulacion mediante el menu gSimulate -> Runh. La primera vez nos aparece el cuadro de dialogo gEdit Simulation Commandh. Este cuadro de dialogo se puede volver a visualizar si tenemos activa la ventana del esquematico (fichero con extension .asc) y vamos al menu gSimulate -> Edit Simulation Cmdh.
6. Seleccionar una simulacion de tipo gTransienth con gStop Time = 1 msh1 y gMaximum Timestep = 0.1 msh. Al pulsar OK aparece una ventana con fondo negro vacia.
7. Hacer clic en la conexion entre el generador y la resistencia para dibujar la onda sinusoidal correspondiente (tension).
8. Activar la rejilla (grid) en la grafica.
9. Copiar la onda y el esquematico resultantes (hacer uso de gTools -> Copy bitmap to Clipboardh y pegarla a continuacion. Este metodo sirve tanto para el esquematico como para las graficas.
10. Modificar el componente “voltage” (clic con el botón derecho en el componente situado en el esquemático) para reemplazar el componente “Sine” por “Pulse”.
11. Configurar adecuadamente para obtener una onda cuadrada con los mismos parámetros que la onda sinusoidal anterior pero con forma de onda cuadrada. ¡Atención! En los campos “Trise” y “Tfall” no utilizar el valor cero, sino un valor arbitrariamente pequeño (0.0000001) para que el tiempo de subida y de bajada sea muy próximo a cero.
12. Para redibujar la nueva forma de onda hay que ejecutar “Run” la simulación.
13. Copiar la forma de onda cuadrada a continuación.
14. Cerrar el esquemático y la ventana de gráficas.
Carga y descarga del condensador
1. Crear un nuevo esquemático que modele el circuito que se muestra a continuación cuando el interruptor S está en la posición 1. Utilizar C = 10 nF, R = 100 kΩ y V = 10 V.
2. Crear una nueva simulación con “Stop Time” = 7 ms, “Maximum Timestep” = 0.01 ms y marcar la opción “Start external DC supply voltages at 0V”.
3. Dibujar la diferencia de potencial en los extremos del condensador con respecto al tiempo así como la corriente que circula por el circuito (también con respecto al tiempo).
4. Copiar la gráfica resultante a continuación y reflexionar acerca de los resultados. En particular, comprobar que el condensador no permite el paso de la corriente entre sus terminales una vez que se ha completado el proceso de carga del mismo (ha pasado del régimen transitorio al régimen permanente).
De acuerdo a lo visto en las clases de teoría, ¿cuánto tiempo tarda en cargarse el condensador del circuito anterior? Indicar los cálculos a continuación.
5 x R x C = 5 x 100k x 10n = 5x10^-3 s = 5ms
Circuito RC integrador
Cree un nuevo esquemático en LTspice para simular el circuito RC integrador que se muestra en la siguiente figura. Tomar R = 100 kΩ, C = 10 nF y la señal de entrada es una onda cuadrada con los siguientes parámetros: 2 voltios pico a pico 1 voltio de offset de componente de continua 20 ms de período, de los que durante 10 ms la señal toma su valor máximo y durante los 10 ms restantes toma el valor mínimo.
Simular el circuito comenzando en t = 0 y terminando en t = 40τ, donde τ es la constante de tiempo del circuito (utilizar un valor adecuado para “Maximum Timestep”. Obtener las curvas de entrada y salida del circuito y pegarlas a continuación.
¿Cuál es la componente de continua de la señal de entrada? ¿Y de la señal de salida?
Entrada: VERDE
Salida: AZUL
Repetir la simulación anterior tras incrementar la frecuencia de la señal a f = 500 Hz
Repetir la simulación anterior tras incrementar la frecuencia de la señal a f = 5 kHz. Establecer el tiempo total de simulación en 5 ms.
Una vez alcanzado el régimen permanente, ¿cuál es la componente de continua, aproximadamente, de la señal de salida?
Una vez alcanzado el régimen permanente la componente de contínua de la señal de salida es de 1V.
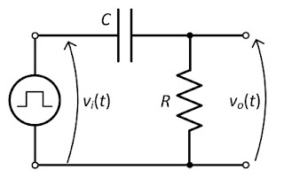
Circuito RC diferenciador
Repetir los mismos pasos realizados para el caso del circuito integrador, pero ahora aplicados al circuito diferenciador (ver figura).
1. La frecuencia de la señal de entrada es f = 50 Hz.
2. La frecuencia de la señal de entrada es f = 500 Hz.
3. La frecuencia de la señal de entrada es f = 5 kHz.
Una vez alcanzado el régimen permanente, ¿cuál es la componente de continua, aproximadamente, de la señal de salida?
La componente de contínua se estabiliza en 0V.
GRACIAS a Janiro por este gran aporte
Suscribirse a:
Enviar comentarios (Atom)
























No hay comentarios:
Publicar un comentario